| How to order | |||||
| ABM 5 × 5 - 4 - F L ① ② ③ ④ ⑤ ⑥ | |||||
| ① Series | ② Specification | ③ Vacuum stack | ④ Vacuum port, inner dia of hose | ⑤ Sealing | ⑥ Vacuum filter |
| ABM - Universal type(-85kPa) ABX - High vacuum level(-92kPa) | 5 10 | 2、3、4、5、 6、7、8、9、 10、11、12、 13、14、15、 16(Layer) | 4 - φ4 | Nil - Standard,NBR F - Fluorine rubber E - EPDM | Nil - Standard, without vacuum filter L - With ZFL 06 vacuum filter |
| Selection | ||||||||
| Model | Specification | Vacuum stack | Vacuum port, inner dia of hose | Sealing | Vacuum filter | |||
| Nil | F | E | Nil | L | ||||
| ABM | 5 | 2-16 | 4 | ● | ○ | ○ | ● | ○ |
| ABX | 10 | 2-12 | 4 | ● | ○ | ○ | ● | ○ |
◇Note: "●"- standard, in stock. "○"-selective,no stock.
| Technical parameters | ||||||||||||||
| Vacuum flow (NL/min) at different vacuum levels (-kPa) | ||||||||||||||
| Model | Specification | Air supply pressure (bar) | Air consumption (NL/min) | 0 | 10 | 20 | 30 | 40 | 50 | 60 | 70 | 80 | 90 | Max. vacuum level (-kPa) |
| ABM | 5×1 | 6 | 20 | 25 | 15 | 12.5 | 11 | 10 | 7.5 | 5.5 | 2 | 0.6 | - | 85 |
| ABM | 10×1 | 6 | 42 | 32 | 28 | 24 | 22 | 18 | 15 | 11 | 5 | 1.35 | - | 85 |
| ABX | 5×1 | 6 | 22 | 23 | 14 | 10 | 9 | 7.5 | 6 | 4 | 2.8 | 1.5 | 0.44 | 85 |
| ABX | 10×1 | 6 | 40 | 32 | 21 | 18 | 16 | 14 | 11 | 9.5 | 5.5 | 2.5 | 1.1 | 85 |
| Evacuation time (s/L) to reach different vacuum levels (-kPa) | |||||||||||||
| Model | Specification | Air supply pressure (bar) | Air consumption (NL/min) | 10 | 20 | 30 | 40 | 50 | 60 | 70 | 80 | 90 | Max. vacuum level (-kPa) |
| ABM | 5×1 | 6 | 20 | 0.2 | 0.59 | 1.1 | 1.58 | 2.4 | 3.52 | 5.3 | 10.3 | - | 85 |
| ABM | 10×1 | 6 | 42 | 0.12 | 0.28 | 0.6 | 0.81 | 1.18 | 1.82 | 2.65 | 5.21 | - | 85 |
| ABX | 5×1 | 6 | 22 | 0.21 | 0.81 | 1.52 | 2.35 | 3.48 | 4.85 | 6.57 | 10.5 | 19.3 | 92 |
| ABX | 10×1 | 6 | 40 | 0.14 | 0.4 | 0.78 | 1.22 | 1.77 | 2.4 | 3.3 | 4.95 | 9.62 | 92 |
| Model | Specification | Air supply pressure (bar) | Max. vacuum level (-kPa) | Max. Vacuum flow (NL/min) | Air consumption (NL/min) | Noise level dB(A) | Weight (g) | Recommended hose dia. (mm) | ||
| Air supply (P) | Vacuum (V) | Exhaust (E) | ||||||||
| ABM | 5×2 | 4.5-6.0 | 85 | 25×2 | 29-41 | 55 - 60 | 67 | 6 | 6 | G3/8×1 |
| ABM | 5×3 | 4.5-6.0 | 85 | 25×3 | 44-64 | 55 - 60 | 80 | 6 | 6 | G3/8×1 |
| ABM | 5×4 | 4.5-6.0 | 85 | 25×4 | 61-85 | 55 - 60 | 247 | 8 | 6 | G3/8×1 |
| ABM | 5×5 | 4.5-6.0 | 85 | 25×5 | 71-104 | 60 - 65 | 255 | 8 | 6 | G3/8×1 |
| ABM | 5×6 | 4.5-6.0 | 85 | 25×6 | 89-125 | 60 - 65 | 281 | 8 | 6 | G3/8×1 |
| ABM | 5×7 | 4.5-6.0 | 85 | 25×7 | 104-145 | 60 - 65 | 299 | 8 | 6 | G3/8×1 |
| ABM | 5×8 | 4.5-6.0 | 85 | 25×8 | 120-168 | 60 - 65 | 317 | 10 | 6 | G3/8×1 |
| ABM | 5×9 | 4.5-6.0 | 85 | 25×9 | 132-190 | 60 - 65 | 335 | 10 | 6 | G3/8×1 |
| ABM | 5×10 | 4.5-6.0 | 85 | 25×10 | 148-211 | 60 - 65 | 353 | 10 | 6 | G3/8×1 |
| ABM | 5×11 | 4.5-6.0 | 85 | 25×11 | 165-232 | 60 - 65 | 371 | 10 | 6 | G3/8×1 |
| ABM | 5×12 | 4.5-6.0 | 85 | 25×12 | 180-2525 | 60 - 65 | 389 | 10 | 6 | G3/8×2 |
| ABM | 5×13 | 4.5-6.0 | 85 | 25×13 | 195-275 | 60 - 65 | 417 | 10 | 6 | G3/8×2 |
| ABM | 5×14 | 4.5-6.0 | 85 | 25×14 | 208-293 | 60 - 65 | 435 | 10 | 6 | G3/8×2 |
| ABM | 5×15 | 4.5-6.0 | 85 | 25×15 | 225-316 | 60 - 65 | 453 | 12 | 6 | G3/8×2 |
| ABM | 5×16 | 4.5-6.0 | 85 | 25×16 | 241-335 | 60 - 65 | 471 | 12 | 6 | G3/8×2 |
| ABM | 10×2 | 4.5-6.0 | 85 | 32×2 | 61-85 | 55 - 60 | 67 | 8 | 6 | G3/8×1 |
| ABM | 10×3 | 4.5-6.0 | 85 | 32×3 | 91-125 | 60 - 65 | 80 | 8 | 6 | G3/8×1 |
| ABM | 10×4 | 4.5-6.0 | 85 | 32×4 | 121-167 | 60 - 65 | 247 | 10 | 6 | G3/8×1 |
| ABM | 10×5 | 4.5-6.0 | 85 | 32×5 | 151-212 | 60 - 65 | 255 | 10 | 6 | G3/8×1 |
| ABM | 10×6 | 4.5-6.0 | 85 | 32×6 | 185-255 | 60 - 65 | 281 | 10 | 6 | G3/8×2 |
| ABM | 10×7 | 4.5-6.0 | 85 | 32×7 | 211-295 | 60 - 65 | 299 | 10 | 6 | G3/8×2 |
| ABM | 10×8 | 4.5-6.0 | 85 | 32×8 | 241-335 | 60 - 65 | 327 | 10 | 6 | G3/8×2 |
| ABM | 10×9 | 4.5-6.0 | 85 | 32×9 | 271-376 | 60 - 65 | 345 | 12 | 6 | G3/8×2 |
| ABM | 10×10 | 4.5-6.0 | 85 | 32×10 | 301-421 | 60 - 65 | 363 | 12 | 6 | G3/8×2 |
| ABM | 10×11 | 4.5-6.0 | 85 | 23×11 | 332-463 | 60 - 63 | 381 | 12 | 6 | G3/8×2 |
| ABM | 10×12 | 4.5-6.0 | 85 | 23×12 | 361-505 | 60 - 63 | 399 | 12 | 6 | G3/8×2 |
| ABX | 5×2 | 4.5-6.0 | 92 | 23×2 | 43-49 | 55 - 60 | 67 | 6 | 6 | G3/8×1 |
| ABX | 5×3 | 4.5-6.0 | 92 | 23×3 | 65-73 | 55 - 60 | 80 | 6 | 6 | G3/8×1 |
| ABX | 5×4 | 4.5-6.0 | 92 | 23×4 | 85-96 | 60 - 63 | 247 | 8 | 6 | G3/8×1 |
| ABX | 5×5 | 4.5-6.0 | 92 | 23×5 | 106-121 | 60 - 63 | 255 | 8 | 6 | G3/8×1 |
| ABX | 5×6 | 4.5-6.0 | 92 | 23×6 | 130-144 | 60 - 63 | 281 | 8 | 6 | G3/8×1 |
| ABX | 5×7 | 4.5-6.0 | 92 | 23×7 | 151-167 | 60 - 63 | 299 | 8 | 6 | G3/8×1 |
| ABX | 5×8 | 4.5-6.0 | 92 | 23×8 | 173-193 | 60 - 63 | 317 | 10 | 6 | G3/8×1 |
| ABX | 5×9 | 4.5-6.0 | 92 | 23×9 | 195-217 | 60 - 63 | 335 | 10 | 6 | G3/8×1 |
| ABX | 5×10 | 4.5-6.0 | 92 | 23×10 | 215-241 | 60 - 63 | 353 | 10 | 6 | G3/8×1 |
| ABX | 5×11 | 4.5-6.0 | 92 | 23×11 | 238-265 | 60 - 63 | 371 | 10 | 6 | G3/8×1 |
| ABX | 5×12 | 4.5-6.0 | 92 | 23×12 | 260-289 | 60 - 63 | 389 | 10 | 6 | G3/8×2 |
| ABX | 5×13 | 4.5-6.0 | 92 | 32×13 | 281-313 | 60 - 63 | 417 | 10 | 6 | G3/8×2 |
| ABX | 5×14 | 4.5-6.0 | 92 | 32×14 | 346-335 | 63 - 65 | 435 | 10 | 6 | G3/8×2 |
| ABX | 5×15 | 4.5-6.0 | 92 | 32×15 | 389-361 | 63 - 65 | 453 | 10 | 6 | G3/8×2 |
| ABX | 5×16 | 4.5-6.0 | 92 | 32×16 | 346-385 | 63 - 65 | 471 | 10 | 6 | G3/8×2 |
| ABX | 10×2 | 4.5-6.0 | 92 | 32×2 | 87-96 | 60 - 63 | 67 | 6 | 6 | G3/8×1 |
| ABX | 10×3 | 4.5-6.0 | 92 | 32×3 | 130-145 | 63 - 65 | 80 | 6 | 6 | G3/8×1 |
| ABX | 10×4 | 4.5-6.0 | 92 | 32×4 | 173-193 | 63 - 65 | 247 | 8 | 6 | G3/8×1 |
| ABX | 10×5 | 4.5-6.0 | 92 | 32×5 | 215-241 | 63 - 65 | 255 | 8 | 6 | G3/8×1 |
| ABX | 10×6 | 4.5-6.0 | 92 | 32×6 | 260-288 | 63 - 65 | 281 | 10 | 6 | G3/8×2 |
| ABX | 10×7 | 4.5-6.0 | 92 | 32×7 | 303-337 | 63 - 65 | 299 | 10 | 6 | G3/8×2 |
| ABX | 10×8 | 4.5-6.0 | 92 | 32×8 | 346-385 | 63 - 65 | 327 | 10 | 6 | G3/8×2 |
| ABX | 10×9 | 4.5-6.0 | 92 | 32×9 | 389-433 | 63 - 65 | 345 | 12 | 6 | G3/8×2 |
| ABX | 10×10 | 4.5-6.0 | 92 | 32×10 | 433-481 | 63 - 65 | 363 | 12 | 6 | G3/8×2 |
| ABX | 10×11 | 4.5-6.0 | 92 | 32×11 | 476-529 | 63 - 65 | 381 | 12 | 6 | G3/8×2 |
| ABX | 10×12 | 4.5-6.0 | 92 | 32×12 | 519-578 | 63 - 65 | 399 | 12 | 6 | G3/8×2 |

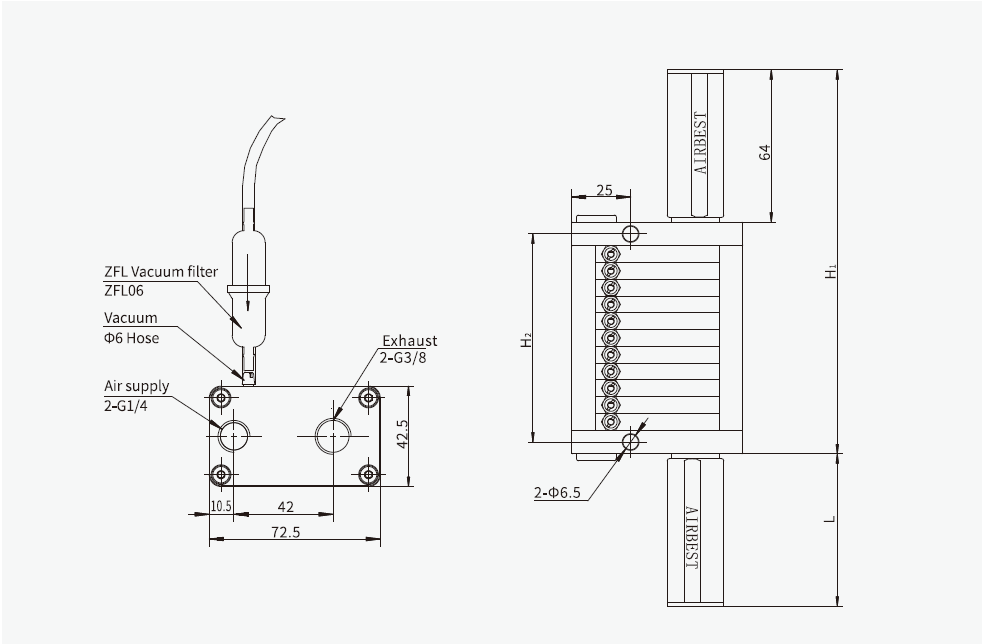
| Model | Specification | H1 | H2 | Air supply port | Vacuum port | Exhaust port |
| ABM ABX | 5(10)×2 | 91.5 | 27.5 | G1/8F | M5-Φ6 | External silencer |
| 5(10)×3 | 99 | 35 |

| Model | Vacuum stack | 5 | 10 | Air supply port | Vacuum port | Exhaust port | ||||
| H1 | H2 | L | H1 | H2 | L | |||||
| ABM ABX | 4 | 113 | 39 | - | 113 | 39 | - | G1/4 | Φ6 Hose fitting | External silencer |
| 5 | 121 | 47 | - | 121 | 47 | - | ||||
| 6 | 128 | 54 | - | 128 | 54 | 64 | ||||
| 7 | 135 | 61 | - | 135 | 61 | 64 | ||||
| 8 | 142 | 68 | - | 142 | 68 | 64 | ||||
| 9 | 150 | 76 | - | 150 | 76 | 64 | ||||
| 10 | 157 | 83 | - | 157 | 83 | 64 | ||||
| 11 | 164 | 90 | - | 164 | 90 | 64 | ||||
| 12 | 172 | 98 | 64 | 172 | 98 | 64 | ||||
| 13 | 179 | 105 | 64 | - | - | - | ||||
| 14 | 186 | 112 | 64 | - | - | - | ||||
| 15 | 194 | 120 | 64 | - | - | - | ||||
| 16 | 201 | 127 | 64 | - | - | - | ||||